搜索
预约
报价
热线:+86 (0)510-8743 8626
Email:
office@ceramany.cn
核心技术
产品介绍
应用范围
材料介绍
下载中心
关于我们
新闻资讯
联系我们
搜索提示
高级搜索
即刻预约
要求报价
联系我们
搜索页(高级尺寸搜索,请到 "
高级产品搜索
")
当前位置:
高级产品搜索
>
Textile Applications
>
Open Types (Slit Eyelets)
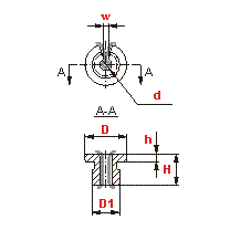
打开尺寸制图
产品编号:
8112-V-17927
U8编号:
120236
产品用途:
Textile Applications
机器类型:
None
原始产品号:
None
杜塞拉姆产品类别:
Open Types (Slit Eyelets)
材料:
Slim
材料名称:
Alumina
化学公式:
Al2O3
化学名称:
Aluminium Oxide
颜色:
White
重量:
2.19g
注释:
None
上一个
|
下一个
尺寸搜索类型2
请选择一个尺度:
w
d
h
D
H
D1
请输入尺寸:
mm
其它搜索类型